Краны высокого давления
Компоненты и комплектующие манифольдов
Заказать товар
Задать вопрос
Задать вопрос
Мы свяжемся с вами для уточнения формы оплаты и способа доставки заказа
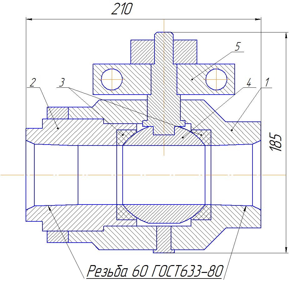
Кран является арматурой высокого давления и предназначен для перекрытия потоков в трубопроводах. Входит в состав: блоков манифольдов, обвязки устья скважины, оборудования цементировочных агрегатов ЦА-320, и др.
Состоит из корпуса, седла, шара, РТИ. Имеет только 2 рабочих положения: ОТКР/ЗАКР.
Примечание: для кранов нашего изготовления к заказу доступны ремонтные комплекты (седло, шар, РТИ).
Состоит из корпуса, седла, шара, РТИ. Имеет только 2 рабочих положения: ОТКР/ЗАКР.
![]() |
![]() |
![]() |
![]() |
Технические характеристики
| Обозначение | КШ 25х70 | КШ 50х70 |
| Рабочее давление (Ру), МПа |
70
|
|
| Условный проход (Ду), мм |
25
|
50
|
| Присоединение к трубопроводу |
муфтовая резьба НКТ-60 ГОСТ 633-80
|
|
| Габаритные размеры, мм, не более: | ||
| — длина |
186
|
222
|
| — ширина |
109
|
173
|
| — высота |
175
|
200
|
| Масса, кг, не более |
10,0
|
16,0
|
| Средняя наработка до отказа, цикл |
400
|
|
Примечание: для кранов нашего изготовления к заказу доступны ремонтные комплекты (седло, шар, РТИ).
Задать вопрос
Оформите заявку на сайте, мы свяжемся с вами в ближайшее время и ответим на все интересующие вопросы.




